欢迎访问东莞市铭标电子科技有限公司官方网站!

铭标科技

Mingbiao Electronic

指拨编码开关源头厂家

国家高新技术企业,研发、生产制造一站式服务!

朱小姐:153-2286-1894
武先生:189-2827-6086

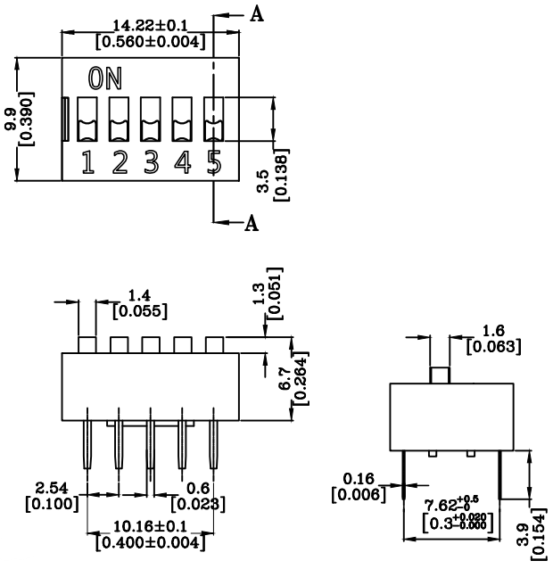
5P平拨开关14.22*9.9*6.7mm(2.54)

5P平拨开关14.22*9.9*6.7mm(2.54)

品牌:铭标科技
型号:DHT10-DS-05
规格:14.22*9.9*6.7mm
包装:34/管
5pin;插脚;开关常开;平拨;脚距2.54pitch;行程2mm;寿命3000次;最大操作力:200gf
* 声明:有关于产品的规格、参数、寿命、工作温度、手感、防水等级等数据,只代表铭标电子内部的测试结果,如需详细测试方式,请联系铭标业务人员。
详细参数
ltems Standard
Operating temperature range -40℃ to +85℃
Electrical
performance
Rating 50mA..12V DC
Insulation resistance 100MΩ min.500V DC
Dielectric strength 500V AC for 1 min.
Contact resistance 50mΩ Max.
Durability Lifetime 3,000 Cycles
Mechanical
performance
Operating force 200gf MAX
Travel 2mm

HOW TO ORDER

尺寸图
Proudcts Dimensions Circuit  Diagram
Pad  Layout

 

扫码加朱小姐微信

扫码加武先生微信