欢迎访问东莞市铭标电子科技有限公司官方网站!

铭标科技

Mingbiao Electronic

指拨编码开关源头厂家

国家高新技术企业,研发、生产制造一站式服务!

朱小姐:153-2286-1894
武先生:189-2827-6086

插脚蓝灯带灯轻触开关

插脚蓝灯带灯轻触开关

品牌:铭标科技
型号:LSP1230
规格:12*12*7.3mm
包装:180/盘
工作温度:-25℃ to +75℃;寿命:十万次;克力:160/250gf;绝缘电阻:≥100MΩ
* 声明:有关于产品的规格、参数、寿命、工作温度、手感、防水等级等数据,只代表铭标电子内部的测试结果,如需详细测试方式,请联系铭标业务人员。
详细参数
ltems Standard
Operating temperature range -25℃ to +75℃
Electrical
performance
Rating 30mA.,30V DC
Insulation resistance ≥100MΩ
Dielectric strength 250V AC
Contact resistance ≤0.05Ω 
Durability Lifetime 100,000 Cycles
Operating force J:160gf  C:250gf 

HOW TO ORDER

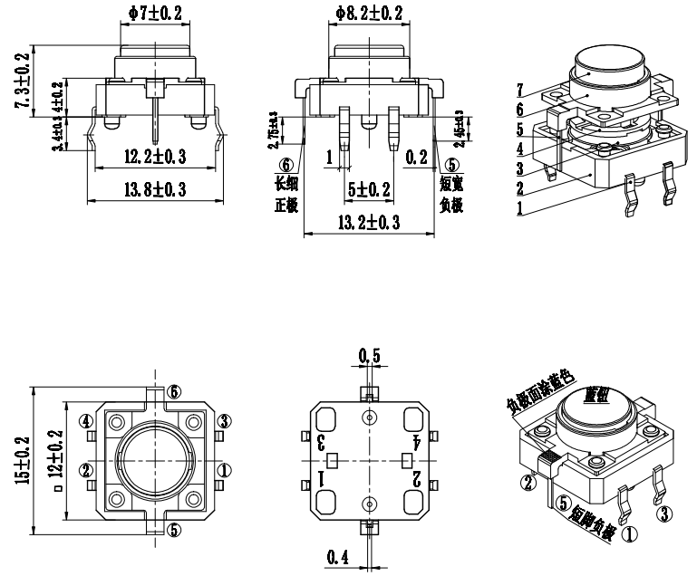
尺寸图
Proudcts Dimensions Circuit  Diagram
Pad  Layout
THBM03-A035NB-R-A THBM03-A035NB-R-A 尺寸图 THBM03-A035NB-R-A 焊盘图
 

扫码加朱小姐微信

扫码加武先生微信