欢迎访问东莞市铭标电子科技有限公司官方网站!

铭标科技

Mingbiao Electronic

指拨编码开关源头厂家

国家高新技术企业,研发、生产制造一站式服务!

朱小姐:153-2286-1894
武先生:189-2827-6086

大电流波动开关单排插脚

大电流波动开关单排插脚

品牌:铭标科技
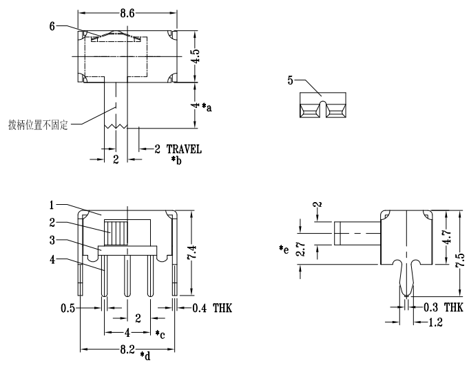
型号:SK12D02G4
规格:8.6*4.5*4.7mm
包装:
操作力250±100gf;寿命10000次;工作温度﹣16℃~+60℃;
* 声明:有关于产品的规格、参数、寿命、工作温度、手感、防水等级等数据,只代表铭标电子内部的测试结果,如需详细测试方式,请联系铭标业务人员。
详细参数
ltems Standard
Operating temperature range ﹣16℃~+60℃.
Electrical
performance
Rating 0.5A.50V DC
Insulation resistance >100MΩ
Dielectric strength 250V  50HZ 1min
Contact resistance ≤50mΩ
Durability Lifetime   10,000 Cycles
Mechanical
performance
Operating force 250±100gf

尺寸图
Proudcts Dimensions Circuit  Diagram
Pad  Layout

 

扫码加朱小姐微信

扫码加武先生微信